VRF Systems Indoor Unit Medium Static Pressure Duct
- Download :
-
Catalog
Model
| 220-240V Single-Phase | |
|---|---|
| ARGA24GBTH | |
| ARGA30GBTH | |
| ARGA36GBTH | |
| ARGA45GBTH | |
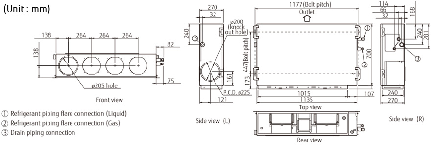
Dimensions
*Service accessibility must be allowed for when installing the
Please consult the
installation manual for the necessary service access size.
Feature
Slim & Compact design
In the case of bottom return air connection, not only does the indoor unit design allow for installation in a narrow ceiling space of up to 270mm, Further space savings have been achieved by mounting the electrical control box internally inside the chassis.
Easy maintenance
Structural improvement is attained by making the bottom panel two pieces, front and rear. The internal fan casing is also manufactured in two pieces, namely upper and lower. The maintenance of the motor and fan can be easily carried out by removing the rear panel and the lower part of the casing while leaving the main chassis installed.
Selectable with a wide range of static pressure
It is possible to change of static pressure range 0 to 150Pa.
Easy setting by using remote controller
The change of static pressure range is possible by remote controller
Can be installed for various location
It can be installed in such locations as high-rise condominiums by low static pressure design.
It can also be installed in wide spade when high static pressure is required, such as for offices.
Installation styles
Embedded in Ceiling
Hanging from Ceiling
Two-direction drain piping
Optional parts
- Remote Sensor Unit :
- UTY-XSZX
- Long Life Filter :
- UTD-LF25NA
- Flange (Square) :
- UTD-SF045T
- Flange (Round) :
- UTD-RF204
- IR Receiver Unit :
- UTB-YWC
- Drain Pump Unit :
- UTZ-PX1NBA



