Energy Recovery Ventilator UTZ-BD025C
Features
- Energy efficiency and ecology
- Quiet operation
- Extended range of external static pressure
- Slim design for easier installation
- Reverse-mountable direct air supply and exhaust system
Specifications
| Rated Airflow Rate | 250 m³ /h | ||
|---|---|---|---|
| Power Source | 220 - 240 V | ||
| 50 Hz | |||
| Heat Exchange Ventilation | Input Power | (Extra High) | 128 W |
| High | 123 W | ||
| Low | 96 W | ||
| Airflow Rate | (Extra High) | 250 m³ /h | |
| High | 250 m³ /h | ||
| Low | 190 m³ /h | ||
| External Static Pressure | (Extra High) | 105 Pa | |
| High | 95 Pa | ||
| Low | 45 Pa | ||
| Temperature Exchange Efficiency | (Extra High) | 75 % | |
| High | 75 % | ||
| Low | 77 % | ||
| Energy Exchange Efficiency Cooling | (Extra High) | 63 % | |
| High | 63 % | ||
| Low | 65 % | ||
| Energy Exchange Efficiency Heat Pump | (Extra High) | 70 % | |
| High | 70 % | ||
| Low | 72 % | ||
| Sound Pressure Level*2 | (Extra High) | 31.5 dB* | |
| High | 30.5 dB* | ||
| Low | 26.5 dB* | ||
| Normal Ventilation | Input Power | (Extra High) | 128 W |
| High | 123 W | ||
| Low | 96 W | ||
| Airflow Rate | (Extra High) | 250 m³ /h | |
| High | 250 m³ /h | ||
| Low | 190 m³ /h | ||
| External Static Pressure | (Extra High) | 105 Pa | |
| High | 95 Pa | ||
| Low | 45 Pa | ||
| Sound Pressure Level*2 | (Extra High) | 31.5 dB* | |
| High | 30.5 dB* | ||
| Low | 26.5 dB* | ||
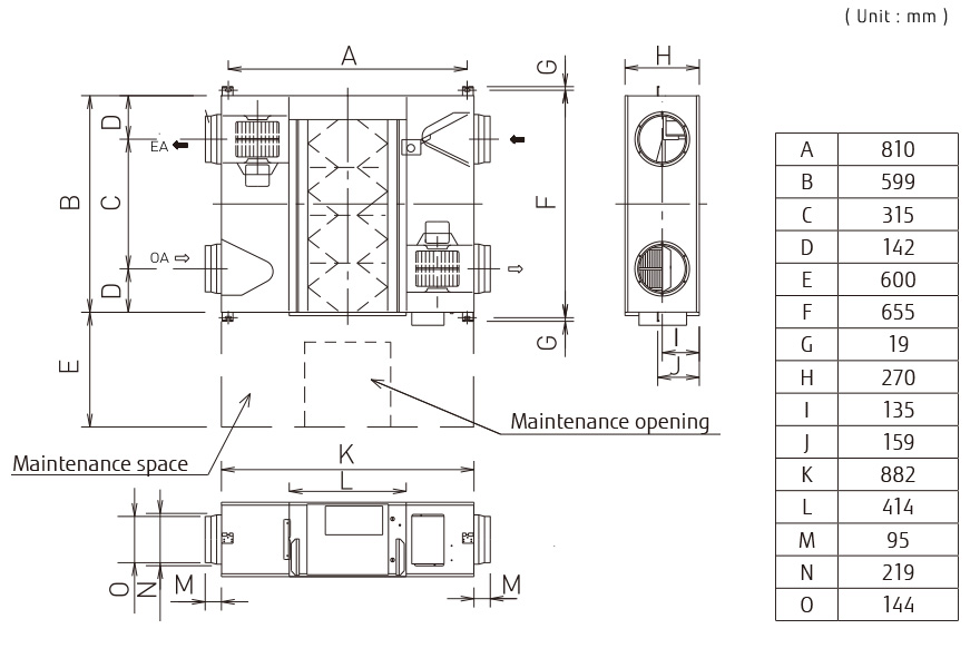
| Net Dimensions | Height | 882 mm | |
| Width | 599 mm | ||
| Depth | 270 mm | ||
| Net Weight | 29 kg | ||
| Outlet Duct Diameter | 150 mm | ||
| Operation Range | -10 to 40 °C | ||
| Max. Humidity | 85 % | ||
Scroll
- *
- The noise level must be measured 1.5 m below the centre of the unit.
Dimensions
Energy Recovery Ventilator : UTZ-BD025C

Europe | English